The world's first 4.5 MW three-level 1140 V squirrel-cage full-power WTGS successfully connected to the grid
On March 15, 2020, a 4.5MW prototype WTG developed by Zhejiang Windey Co., Ltd. (hereinafter referred to as "Windey") was successfully commissioned and connected to the grid at Zhangbei wind power test base of China Electric Power Research Institute. Although it was snowing in the cold winter of Zhangbei, plus the outbreak of the novel coronavirus, all team members overcame all difficulties and worked together to solve various problems encountered during construction, ensuring the smooth grid connection of the WTGS as planned.
This 4.5 MW three-level 1140 V squirrel-cage full-power WTGS is the first of its kind in the world and is developed by Windey to respond to the policy in grid parity for wind power and meet the demand of large base construction. Facing the brand-new electric transmission chain system and the high pressure in delivery from the industry, the project team took only 10 months to complete grid connection from project initiation. By virtue of its technical application experience accumulated over years in the wind power sector, Windey considered mature supply chain and modular design at the very beginning of the design. At the same time, the whole project team has always showed the spirit of overcoming difficulties, daring to take on responsibilities and actively seeking technological innovation and breakthroughs.
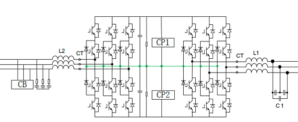
As a major technological innovation and upgrade based on the 4.X MW platform, the WTG has a rotor diameter of 147 m-16X m, and a power of 4.2 MW-5 MW. It is designed with the aim to realize "optimum levelized cost of energy (LCOE)", and meets the demand of large base construction and grid parity for wind power. The advanced modular platform concept design can achieve matching of blades with different blade root diameters, rapid expansion of the capacity and power generation capacity of the WTGS, and significant increase of the development efficiency. Following the highly reliable and mature technical roadmap, the transmission system uses reliable components verified by the supply chain, and improves the interchangeability, portability and delivery and supply capability of components. The electrical system, in particular, adopts the technical roadmap of "three-level 1140 V squirrel-cage asynchronous full-power converter" for the first time in the world, and the overall performance of the WTG reaches the leading level in the sector.
In terms of technical characteristics, compared with the traditional two-level 690 V WTG, the 4.X MW three-level 1140 V converter adopts a brand-new control platform, and can achieve an efficiency up to 98%. At the same time, the three-level converter can output 27 combinations of switch states, and output waveforms closer to a sine wave, with the harmonic content reduced to about 3%. The switching frequency of the converter is reduced by 30%, and the du/dt value at the outlet of the converter can be reduced to about 300 V, thus prolonging the service life of the generator and power cables. In addition, the three-level converter scheme can theoretically achieve zero common-mode voltage, thus fundamentally solving the problem that the motor bearing is subject to electric corrosion by the common-mode voltage.
Topology of the three-level converter power module
In terms of economic benefits, the three-level converter increases the voltage of WTG from the traditional 690 V to 1140 V, while reduces the current by up to 65% as compared with other WTGs of same power, thus greatly improving the efficiency of the electric transmission system and the power transmission and transformation system, lowering the cost of energy, and making the product more competitive in the market. In addition, this type of WTGS will be equipped with a step-up transformer at a voltage of 1140 V on LV side, which can reduce the quantity of buried cables between the step-up transformer and WTGS by more than 40% compared with a WTGS equipped with a step-up transformer at a voltage of 690 V on LV side. In this way, the investment in the development and construction of the wind farm in the early stage can be reduced, and along with a mature supply chain of downstream components, the owner will enjoy even greater economic benefits.
The successful launch of this WTGS model is expected to usher in a new round of transformation of WTG technologies. It is also another proof of Windey's hard work in innovative application of wind power technology to help customers respond to the policy in grid parity for wind power.
?Maintaining a leading position in technology, Windey won first prize of provincial (ministerial) awards for its two achievements
Recently, the two core achievements of Zhejiang Windey Co., Ltd. (hereinafter referred to as "Windey"), respectively?"Key technologies for integration of lightweight WTGS with ultra-large rotor and flexible tower" and "Key technologies for grid-friendly, efficient, safe and active wind power support" both won the first prize of 2019 Beijing Science and Technology Award (Scientific and Technological Progress Award).
Lightweight WTG with flexible tower realizing grid parity for wind power
With China entering the era of grid parity for wind power, the traditional design method of WTGS cannot meet the market demand. Lightweight WTGS with ultra-large rotor and flexible tower can effectively improve the efficiency of wind energy resources, and is an ideal solution to affordable grid connection for wind power. However, such difficult problems as accurate control of dynamic load of rotor, resonance point ride-through of flexible tower, and online prediction of fatigue life of the whole WTG have restricted development of the key technologies.
To solve these problems, Windey has spent more than 10 years in independently making innovation and tackling key problems, and has successively made achievements and accumulated experience in such technologies as "intelligent control", "load optimization", "online identification", and "flexible tower". In addition, with the aim of pursuing "optimum levelized cost of energy (LCOE)", Windey has developed a new generation of 2.X MW, 3.X MW and 4.X MW series WTGS. The diameter of the rotor ranges from 140 m to 170 m and the height of the tower from 120 m to 160 m, which greatly increase the development space of the wind farm and create more power generation and investment benefits for customers.
The project declared by Windey in collaboration with Shenyang University of Technology and other organizations won the first prize, which implies that Windey is in the leading position in China in the field of "key technologies for integration of lightweight WTGS with ultra-large rotor and flexible tower" and provides strong support for the development strategy of Windey.
Grid-friendly WTGS supporting safe and stable operation of the grid
With the rapid development of large-scale power grid interconnection technology, the emergence of long-distance AC/DC hybrid transmission, and the centralized grid connection of large-scale wind power, wind power has highly penetrated into the power grid in some areas. Due to the volatility of wind power and inability to active support, it poses challenge to the safe and stable operation of the power system.
Windey has long maintained close cooperation in scientific research with China Electric Power Research Institute, and has maintained a leading position in wind power grid connection technology, and its technologies and achievements have won many first prizes in the industry. To solve the above-mentioned problem, Windey, in conjunction with China Electric Power Research Institute, Hefei University of Technology and other organizations, has tackled key problems on active support technologies such as WTGS frequency modulation/voltage regulation control, made breakthrough in grid-friendly WTGS technology, developed the first grid-friendly doubly-fed WTGS able to provide active support and related products, thus ensuring safety and power consumption of grid with a high penetration of wind power, and providing technical support for the smooth transition of wind power from "auxiliary power supply" to "main power supply".
In addition, Windey has made further research on grid-friendly wind power technology, and took the lead in the world in launching the "three-level 1140 V squirrel-cage asynchronous full-power frequency converter", which realizes the output of waveforms closer to a sine wave, reduces the harmonic content to 3% and harmonic pollution to the grid, reduces the loss of WTGS and greatly lowers the cost of energy.
As a pioneer and innovator in the development of China's wind power industry, Windey has upheld the principle that scientific and technological innovation is the first productive force. By solving technical difficulties common to the industry and realizing the large-scale application of innovative technologies, Windey has not only driven its own high-quality development, but also strongly promoted lean development of China's wind power industry and achieved remarkable economic and social benefits.
